HX324由四个独立的高增益内部频率补偿运算放大器组成,这些放大器专门设计用于在宽电压范围内由单个电源供电。也可以使用分体式电源进行操作。应用领域包括换能器放大器、直流增益块和所有传统的运算放大器电路,这些电路现在可以很容易地在单个电源系统中实现。
1、特性
- 内部频率补偿以获得单位增益。
- 直流电压增益大:100dB。
- 工作电源范围宽(Vcc=3V~30V)。
- 输入共模电压包括地。
- 输出电压摆动大:从0V到Vcc-1.5V。
- 适合电池运行的电源消耗。
2、框图
3、绝对最大额定值
|
PARAMETER |
SYMBOL | RATINGS |
UNIT |
|
Supply Voltage |
VCC | ±15 | V |
|
Differential Input Voltage |
VI(DIFF) | 30 | V |
|
Input Voltage |
VI | 0.3 ~ +30 | V |
|
Power Dissipation |
PD | 570 |
mW |
| Operating Temperature Range | TOPR | 0 ~ +70 |
℃ |
| Storage Temperature Range | TSTG | -40 ~ +150 |
℃ |
| Lead Temperature(10S) | TLTEM | +230 |
℃ |
4、PIN DESCRIPTION
5、封装尺寸图
| Plastic DIP-14 MECHANICAL DATA | ||||||
| DIM. | mm | Inch | ||||
| MIN. | TYP | MAX | MIN | TYP | MAX | |
| a1 | 0.51 | 0.020 | ||||
| B | 1.39 | 1.65 | 0.055 | 0.065 | ||
| b | 0.5 | 0.020 | ||||
| b1 | 0.25 | 0.010 | ||||
| D | 20 | 0.787 | ||||
| E | 8.5 | 0.335 | ||||
| e | 2.54 | 0.100 | ||||
| e3 | 15.24 | 0.600 | ||||
| F | 7.1 | 0.280 | ||||
| I | 5.1 | 0.201 | ||||
| L | 3.3 | 0.130 | ||||
| Z | 1.27 | 2.54 | 0.050 | 0.100 | ||
2、SOP-14 Package
| SOP-14 MECHANICAL DATA | ||||||
| DIM. | mm | Inch | ||||
| MIN. | TYP | MAX | MIN | TYP | MAX | |
| A | 1.75 | 0.069 | ||||
| a1 | 0.1 | 0.2 | 0.003 | 0.007 | ||
| a2 | 1.65 | 0.064 | ||||
| b | 0.35 | 0.46 | 0.013 | 0.018 | ||
| b1 | 0.19 | 0.25 | 0.007 | 0.010 | ||
| C | 0.5 | 0.02 | ||||
| c1 | 45°(TYP) | |||||
| D | 8.55 | 8.75 | 0.336 | 0.344 | ||
| E | 5.8 | 6.2 | 0.228 | 0.244 | ||
| e | 1.27 | 0.050 | ||||
| e3 | 7.62 | 0.300 | ||||
| F | 3.8 | 4.0 | 0.149 | 0.157 | ||
| G | 4.6 | 5.3 | 0.181 | 0.208 | ||
| L | 0.5 | 1.27 | 0.019 | 0.050 | ||
| M | 0.68 | 0.026 | ||||
| S | 8°MAX | |||||
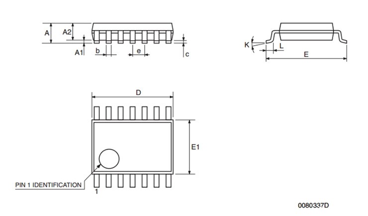
3、TSSOP-14 Package
| TSSOP-14 MECHANICAL DATA | ||||||
| DIM. | mm | Inch | ||||
| MIN. | TYP | MAX | MIN | TYP | MAX | |
| A | 1.2 | 0.047 | ||||
| A1 | 0.05 | 0.15 | 0.002 | 0.004 | 0.006 | |
| A2 | 0.8 | 1.05 | 0.031 | 0.039 | 0.041 | |
| b | 0.19 | 0.30 | 0.007 | 0.012 | ||
| c | 0.09 | 0.20 | 0.004 | 0.0089 | ||
| D | 4.9 | 5 | 5.1 | 0.193 | 0.197 | 0.201 |
| E | 6.2 | 6.4 | 6.6 | 0.244 | 0.252 | 0.260 |
| E1 | 4.3 | 4.4 | 4.5 | 0.169 | 0.173 | 0.176 |
| e | 0.65BSC | 0.0256BSC | ||||
| k | 0° | 8° | 0° | 8° | ||
| L | 0.45 | 0.60 | 0.75 | 0.018 | 0.024 | 0.030 |












