HX358 包含两个独立的、高增益的内部频率补偿的双运算放大器,适用于电压范围很宽的单电源,而且也适用于双电源工作模式,在推荐的工作条件下,电源电流与电源电压无关,在线性模式里,即使只有一个单电源电压操作,输入共模电压范围也包括接地和输出电压可以摆动到地面上。单位增益交叉频率和输入偏置电流都有温度补偿。
1、特性
- 内部频率补偿
- 直流电压增益高 100 dB 单位增益频率宽1MHZ
- 温度补偿
- 电源电压范围:宽单电源(3-25VDC)
- 双电源(±1.5-±12.5VDC)
- 低功率电流 —基本独立的电源电压
- (1 mW/op amp 在 +5 VDC)
- 低输入偏置电流: 45 nA DC 温度补偿
- 低输入失调电压:2 m VDC
- 低输入失调 电流:50nA DC 差分输入电
- 压范围等于电源电压
- 大输出电压摆幅 0VDC到V-1.5 VDC
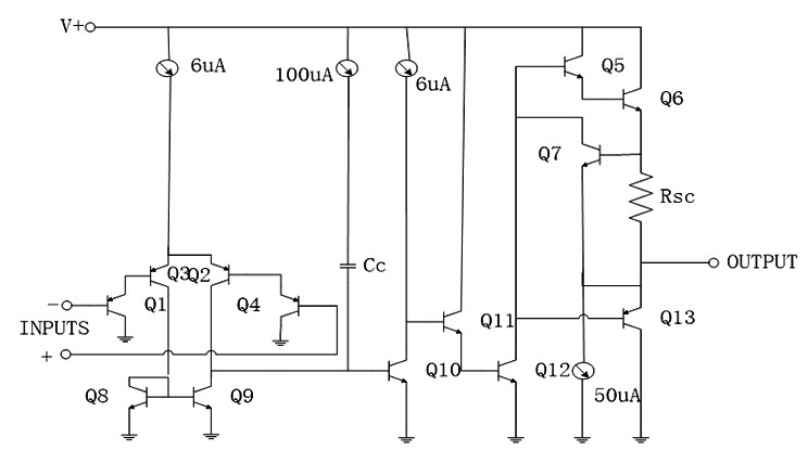
2、原理图
3、绝对最大额定值
|
符号 |
参数 | 额定值 |
单位 |
|
|
VS |
电源电压,(单电源或双电源) | 25 或者 ±12.5 |
VDC |
|
|
差分输入电压 |
30 |
VDC |
||
|
VIN |
输入电压 | 3.0 到 +25 |
VDC |
|
|
PD |
最大功耗Tamb = 25 ℃ (静止空气)1 | N 封装 | 1160 |
mW |
|
D 封装 |
780 |
mW |
||
|
DP 封装 |
714 |
mW |
||
|
输出短路到 GND2 V+ <12VDC和Tamb =25℃ |
连续的 |
|
||
|
Tamb |
LM358 工作环境温度范围 | 0到+70 –25到+85 |
℃ |
|
|
Tstg |
储存温度范围 | –65到+150 |
℃ |
|
|
Tstg |
铅焊温度 (最大10秒) | 230 |
℃ |
|
注:
1、超过25 ℃时,比率如下:
- N 封装在9.3m℃;
- D 封装在6.2m ℃;
- DIP 封装在5.72m ℃;
2、从输出到 V+的短路会导致过热和最终的损坏。最大输出电流大约40 mA ,与 V+的大小无关。当电源电压值超过15VDC 时,连续短路会超过功耗额定值并导致最终的损坏。
4、典型应用
5、封装尺寸图
1、SOP-8封装
| Symbol | Dimensions ln Millimeters(mm) | |
| Min | Max | |
| A | 1.350 | 1.750 |
| A1 | 0.100 | 0.250 |
| A2 | 1.350 | 1.550 |
| b | 0.330 | 0.510 |
| C | 0.170 | 0.250 |
| D | 4.700 | 5.100 |
| E | 3.800 | 4.00 |
| E1 | 5.800 | 6.2 |
| e | 1.270(BSC) | |
| L | 4.00 | 1.270 |
| θ | 0° | 8° |
2、DIP-8封装尺寸
| Symbol | Dimensions ln Millimeters(mm) | |
| Min | Max | |
| A | 3.710 | 4.310 |
| A1 | 0.500 | |
| A2 | 3.200 | 3.600 |
| 00B | 0.350 | 0.620 |
| B1 | 1.524(BSC0) | |
| C | 0.204 | 0.360 |
| D | 9.000 | 9.500 |
| E | 6.200 | 6.600 |
| E1 | 7.320 | 7.920 |
| e | 2.540(BSC) | |
| L | 3.000 | 3.600 |
| E2 | 8.200 | 9.000 |











