1、规格参数
(除特殊说明外,所有参数均在室温下测得,并以GND 端电位为 0 电位)
| 符号 | 特性 | 测试条件 | Min | Typ | Max | 单位 |
| 充电部分 | ||||||
| VCC | 充电输入电压 | 4.5 | 5 | 5.5 | V | |
| VFLOAT | 输出(浮充)电压 | 0℃≤TA≤85℃ | 4.16 | 4.20 | 4.25 | V |
| IBAT | 恒流充电电流 | V BAT =3.7V | – | 1 | – | A |
| ITRIKL | 涓流充电电流 | V BAT <VTRIKL, | – | 100 | – | mA |
| VTRIKL | 涓流充电阈值电压 | VBAT上升 | – | 2.9 | – | V |
| VTRHYS | 涓流充电迟滞电压 | – | 100 | – | mV | |
| VUV | VCC欠压闭锁阈值电压 | VCC从低至高 | – | 3.0 | – | V |
| VUVHYS | VCC欠压闭锁迟滞 | – | 0.2 | – | V | |
| VASD | VCC-VBAT闭锁阈值电压 | – | 100 | – | mV | |
| VCC从高到低 | – | 30 | – | mV | ||
| ITERM | 终止电流门限 | – | 100 | – | mA | |
| ΔVRECHRG | 再充电电池门限电压 | VFLOAT-VRECHRG | – | 150 | – | mV |
| TLIM | 限定温度模式中的结温 | – | 120 | – | ℃ | |
| 放电部分 | ||||||
| VBAT | 电池工作电压 | 2.9 | 4.35 | V | ||
| VOUT | 额定输出电压 | V BAT =3.7V | 4.95 | 5.1 | 5.25 | V |
| ISTDB | 待机电流 | V BAT =3.7V,关闭升压 | – | 35 | – | μA |
| VUV_BAT | 电池欠压闭锁阈值电压 | VBAT下降 | 2.8 | V | ||
| VHYS_BAT | 电池欠压闭锁迟滞 | VBAT上升 | 0.6 | V | ||
| FSW | 工作频率 | – | 1 | – | MHz | |
| IOUT | 输出电流 | VBAT =2.9~4.2V VOUT=5V | – | 1 | – | A |
| ILIM | 周期电流限制 | – | 2 | – | A | |
| η | 转换效率 | V BAT=4.2V
VOUT=5.0V&IOUT=1A |
90 | – | % | |
| DMAX | 最大占空比 | – | – | 85 | – | % |
| TOV | 过温保护 | – | – | 150 | – | ℃ |
| THYS | 过温保护回滞 | – | – | 20 | – | ℃ |
| VRIPPLE | 输出纹波电压 | VOUT=5.0V&IOUT=1A | – | 100 | – | mV |
| VSHORT | 短路保护电压 | V BAT =3.7V | – | 4.25 | – | V |
| LED及KEY键部分 | ||||||
| FLEDx_C | LED2充电/低电量闪烁频率 | – | 1 | – | Hz | |
| IKEY | KEY引脚上拉电流 | – | 5 | – | μA | |
2、产品特性
- 线性充电,同步升压放电,内置充电、放电功率MOS
- 预设2V浮充电压
- 芯片内部设定1A充电电流
- 涓流/恒流/恒压充电,并具有在无过热危险的情况下实现充电速率最大化的智能温控调节电流功能
- 同步升压输出电流1A
- 升压输出采用智能温控技术
- 放电输出过流、短路、过压、过温保护
- 2颗LED电量显示、充放电指示及异常指示
- 单击开关控制升压的输出/停止
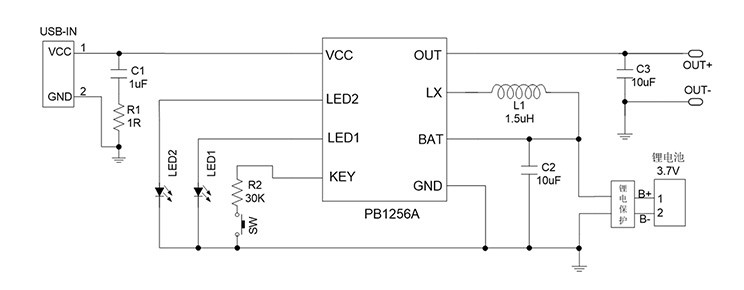
3、典型应用电路图

4、管脚图及功能说明
|
|
引脚名 | 引脚号 | 功能说明 |
| LX | 1 | BOOST开关输出 | |
| GND | 2 | 芯片地 | |
| BAT | 3 | 电池正极 | |
| VCC | 4 | 适配器正电压输入端 | |
| LED1 | 5 | LED指示灯输出端1 | |
| LED2 | 6 | LED指示灯输出端2 | |
| KEY | 7 | 按键输入 | |
| OUT | 8 | 升压输出 |
5、功能特色
(1)充电管理模块
(2)升压模块
(3)边充边放
(4)按键功能
(5)充放电指示灯











